Page Menu
Home
Phorge
Search
Configure Global Search
Log In
Files
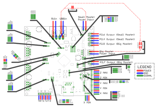
F2581061
workcard-smoothie_wiring_diagram.png
canis_lupus (Szymon Reiter)
Actions
View File
Edit File
Delete File
View Transforms
Subscribe
Award Token
Size
99 KB
Dimensions
526px × 365px
Referenced Files
None
Subscribers
None
workcard-smoothie_wiring_diagram.png
View Options
File Metadata
Details
Attached
Mime Type
image/png
Attributes
Image, Can CDN
Storage Engine
blob
Storage Format
Raw Data
Storage Handle
765811
Default Alt Text
workcard-smoothie_wiring_diagram.png (365×526 px, 99 KB)
Attached To
Mode
No data available.
Event Timeline
Log In to Comment